Shackles - US Fed Spec Alloy Steel D / Dee Lifting Shackles - Screw Pi – Lifting Slings

Shackles - US Fed Spec Alloy Steel D / Dee Lifting Shackles - Screw Pin (Economy)

  • £1.20
    Unit price per 
Tax included. Shipping calculated at checkout.


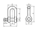
Shackles are used in lifting and static systems as removable links to connect (steel) wire rope, chain and other fittings. Screw pin shackles are used mainly for non-permanent applications. Safety bolt shackles are used for long-term or permanent applications or where the load may slide on the pin causing rotation of the pin. Chain or dee shackles are mainly used on one-leg systems whereas anchor or bow shackles are mainly used on multi-leg systems.

US Fed Spec Shackles are a cost effective alternative to the more expensive Greep Pin Shackle.

  • US Fed Specification
  • Hot Dippec Galvanised
  • Safety Factor 6:1